BiK Żelbet BIM – Sprawdza się w praktyce!
Jeżeli nie widzisz dobrze tego e-maila, zobacz go w przeglądarce 

BiK Żelbet BIM

sprawdza się w praktyce

Żelbet BIM to propozycja zachowująca wygodę pracy w dobrze znanym środowisku 2D, lecz z nowymi zasadami parametryzacji, optymalizacji i kompleksowości danych projektowych. Nowe polecenia realizują szybkie tworzenie rysunków 2D z zachowaniem powiązań między widokami zbrojenia oraz między zbrojeniem i opisami. Efektem jest automatyczna aktualizacja widoków zależnych prętów, opisów oraz generowanie wizualizacji zbrojenia w 3D. Aby utworzyć wizualizację zbrojenia należy narysować zbrojenie na przekrojach pochodzących z modelu wykonanego w BiK Konstruktor BIM.

Rysunek fundamentów – fragment


Narzędzia do zbrojenia powierzchniowego (płyty, ściany) przygotowano w oparciu o większą liczbę danych i nowe kategorie ich grupowania. Pozwana to na utworzenie rozkładu o dowolnym obrysie z uwzględnieniem wysp (otwory). Można też określić miejsca zakładu prętów ręczne lub skorzystać z opcji automatycznego określenia punktu podziału. Pręty w rozkładzie są automatycznie grupowane przez program tworząc strefy, które będą indywidualnie opisane. Pracę ułatwiają dodatkowe uchwyty pozwalające na swobodną edycję geometrii zbrojenia. Korzystając z punktów charakterystycznych możemy zmienić kształt obrysu rozkładu, geometrie otworów, czy lokalizację zakładów prętów.


Rysunek zbrojenia płyty – fragment


Dodatkowe zwiększenie możliwości dopasowania ustawień zgodnie z preferencjami użytkownika podniosło wygodę użytkowania, a dzięki sparametryzowaniu zbrojenia i opisów można teraz „jednym ruchem” zmienić skalę lub styl wstawionych opisów. Przyjęcie standardu rysunków pakietu BiK związanych z kolorami, stylami opisu, rozmiarami tekstów itd., ułatwiło pracę dotychczasowym użytkownikom programów z pakietu BiK.


Wizualizacja zbrojenia w przeglądarce IFC BIMVision


Zaletą programu jest to, że posiada narzędzia do pracy w 2D bez konieczności pracy w 3D – czyli tworzenie dokumentacji płaskiej bez budowy modelu gabarytowego konstrukcji. Projektanci, którzy chcą utworzyć wizualizację zbrojenia i wyeksportować ją w formacie IFC wraz z modelem budynku, mogą wykonać to poprzez przygotowane polecenia do współpracy z modułem Konstruktor BIMTaka elastyczność oraz budowa programu oparta na parametryzacji i automatyzacji, z priorytetowym podejściem do łatwości edycji, prowadzą do znacznej oszczędności czasu przy tworzeniu dokumentacji rysunkowej.

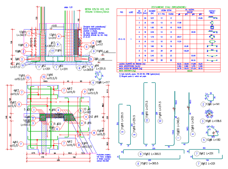
Projekt zbrojenia stopy fundamentowej


Wykonywanie projektów w najnowszych programach BiK realizuje potrzeby i przyzwyczajenia pracy projektantów. 

Dla chętnych udostępniamy wypożyczenie pełnej wersji pakietu BiK do praktycznego zapoznania się z jego funkcjonalnością. Zapraszamy do działania! 

BiK sprawdza się w praktyce!

Więcej informacji na www.bikbik.pl

Wiadomość wysłana przez Wydawnictwo Polskiej Izby Inżynierów Budownictwa Sp. z o.o.
ul. Kujawska 1, 00-793 Warszawa
KRS 0000192270 (Sąd Rejonowy dla m.st. Warszawy, XII Wydział Gospodarczy KRS)
NIP 525-22-90-483, Kapitał zakładowy 150 000 zł
Redakcja nie ponosi odpowiedzialności za treść zamieszczanych reklam.

Mamy nadzieję, że podobają Ci się nasze newslettery. Jeśli nie,

możesz się wypisać.